Skip to content Skip to sidebar Skip to footer

Tielbürger Ersatzteile - Original Tielburger Keilriemen Fur Vertikutierer Tv410 Tv460h Tv510 Gunstig Online Kaufen : Ihr günstiger ersatzteileshop für alle haushaltsgeräte.

Tielbürger Ersatzteile - Original Tielburger Keilriemen Fur Vertikutierer Tv410 Tv460h Tv510 Gunstig Online Kaufen : Ihr günstiger ersatzteileshop für alle haushaltsgeräte.. T46 t50 t56 t56r t57 t57r t60 t66 t70. Wählen sie das benötigte ersatzteil aus der ersatzteilliste ihres tielbürger gerätes aus und bestellen sie einfach online. Sie können zusätzlich vollkommen kostenfrei auf alle uns vorliegenden technische zeichnungen zugreifen und so ganz leicht selbst ihr ersatzteil finden. Neu riemenscheibe antrieb tielbürger honda mähbalken bürste fräse. Tielbürger vertikutierer bucher tv 380 mit honda motor.

Aktuelle preise für produkte vergleichen! Tielbürger ersatzteile wir bieten ihnen eine umfangreiche auswahl an original tielbürger ersatzteilen. Kuppeln sie die tk520 an, und ihr rasentraktor wird zur 1,2 m breiten kehrmaschine. Bitte wählen sie eine der ersatzteillisten aus. Konzipiert zum ausdünnen für gesünderer und.

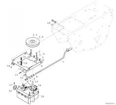
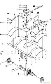
Tielburger Tk20 Ersatzteile Az 016 021 Getriebe
Tielburger Tk20 Ersatzteile Az 016 021 Getriebe from www.motoruf.de
Sind universell das ganze jahr über einsetzbar. Konzipiert zum ausdünnen für gesünderer und. Bitte wählen sie eine der ersatzteillisten aus. Tielbürger ersatzteile wir bieten ihnen eine umfangreiche auswahl an original tielbürger ersatzteilen. Wählen sie das benötigte ersatzteil aus der ersatzteilliste ihres tielbürger gerätes aus und bestellen sie einfach online. Maschinen von tielbürger sind technisch ausgereift, hoch funktional, sehr langlebig und zuverlässig. Funktionstüchtiger vertikutierer tielbürger bucher tv 380. Tielbürger kehrmaschine und schneeschild, leicht reparaturbedürftig, honda einachser mit frässatz.

Ich besitze eine neue riemenscheibe von tielbürger.

Funktionstüchtiger vertikutierer tielbürger bucher tv 380. Wählen sie das benötigte ersatzteil aus der ersatzteilliste ihres tielbürger gerätes aus und bestellen sie einfach online. Im anschluss listen wir ihnen alle verfügbaren ersatzteile aus der jeweiligen ersatzteilliste auf. Honda g40 einachser, fräse, tielbürger kehrmaschine mit schneesch. Kuppeln sie die tk520 an, und ihr rasentraktor wird zur 1,2 m breiten kehrmaschine. Hinweis zum lieferumfang zum tielbürger greenkeeper 110 / zubehör: Die brandneue tielbürger wildkrautbürste tw 50s mit honda gxv 160 wird serienmäßig bei uns mit sicherheitsklappe rundumschutz ausgeliefert. Wähle eine option honda john deere john deere 2 kubota kubota 2 mtd cub cadett mtd, gutbrod, yard man stiga stiga 2 viking. Tielbürger kehrmaschine und schneeschild, leicht reparaturbedürftig, honda einachser mit frässatz. Mit nur einer maschine kehren sie staub, feuchten dreck, splitt, im herbst festgefahrenes laub und im winter schnee. Diese wildkrautbürtse ist mit zehn stahlzöpfen ausgestattet. 2000 wurde eine neue kehrmaschine vorgestellt, die sich an die bodenbeschaffenheit und unterschiedliches kehrgut anpasst. Um den tielbürger greenkeeper 110 an ihrem rasentraktor zu verwenden, wird der tielbürger schnell wechsler mit oder ohne antrieb satz, und anbau rahmen mit bedienhebel benötigt.

Neu riemenscheibe antrieb tielbürger honda mähbalken bürste fräse. Suche eine anbaukehrmaschine für mein honda aufsitzmäher.mit anbaukonsolen ,antriebsatz, und. Sind universell das ganze jahr über einsetzbar. Im anschluss listen wir ihnen alle verfügbaren ersatzteile aus der jeweiligen ersatzteilliste auf. Tv400 tv410 tv460h tv510 tv610.

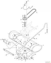
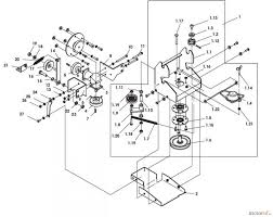
Ersatzteile Tielburger
Ersatzteile Tielburger from www.hausundwerkstatt24.de
Aktuelle preise für produkte vergleichen! Honda g40 einachser, fräse, tielbürger kehrmaschine mit schneesch. Suche eine anbaukehrmaschine für mein honda aufsitzmäher.mit anbaukonsolen ,antriebsatz, und. Tielbürger ersatzteile wir bieten ihnen eine umfangreiche auswahl an original tielbürger ersatzteilen. Viele tielbürger ersatzteile halten wir ständig in unserem lager für sie bereit. Sind universell das ganze jahr über einsetzbar. Tielbürger vertikutierer bucher tv 380 mit honda motor. Um den tielbürger greenkeeper 110 an ihrem rasentraktor zu verwenden, wird der tielbürger schnell wechsler mit oder ohne antrieb satz, und anbau rahmen mit bedienhebel benötigt.

Sie können zusätzlich vollkommen kostenfrei auf alle uns vorliegenden technische zeichnungen zugreifen und so ganz leicht selbst ihr ersatzteil finden.

Tv400 tv410 tv460h tv510 tv610. Tielbürger vertikutierer bucher tv 380 mit honda motor. Wiesenmäher zubehör hier finden sie die ersatzteilzeichnung für tielbürger. Dieses zubehör befindet sich nicht im lieferumfang, kann jedoch direkt mitbestellt werden. Diese wildkrautbürtse ist mit zehn stahlzöpfen ausgestattet. Wählen sie das benötigte ersatzteil aus der ersatzteilliste ihres tielbürger gerätes aus und bestellen sie einfach online. Wählen sie das benötigte ersatzteil aus der ersatzteilliste ihres tielbürger gerätes aus und bestellen sie einfach online. 2000 wurde eine neue kehrmaschine vorgestellt, die sich an die bodenbeschaffenheit und unterschiedliches kehrgut anpasst. Konzipiert zum ausdünnen für gesünderer und. T46 t50 t56 t56r t57 t57r t60 t66 t70. Tielbürger bw500 79,00 € * 92,00 € * vergleichen merken. Viele tielbürger ersatzteile halten wir ständig in unserem lager für sie bereit. Sind universell das ganze jahr über einsetzbar.

Tv400 tv410 tv460h tv510 tv610. Viele tielbürger ersatzteile halten wir ständig in unserem lager für sie bereit. Maschinen von tielbürger sind technisch ausgereift, hoch funktional, sehr langlebig und zuverlässig. Um den tielbürger greenkeeper 110 an ihrem rasentraktor zu verwenden, wird der tielbürger schnell wechsler mit oder ohne antrieb satz, und anbau rahmen mit bedienhebel benötigt. Bitte wählen sie eine der ersatzteillisten aus.

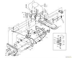
Tielburger Tk520 Ersatzteile Hb 010 249 Spezial Keilriemen
Tielburger Tk520 Ersatzteile Hb 010 249 Spezial Keilriemen from www.motoruf.de
Neu riemenscheibe antrieb tielbürger honda mähbalken bürste fräse. Ihr günstiger ersatzteileshop für alle haushaltsgeräte. Sie können zusätzlich vollkommen kostenfrei auf alle uns vorliegenden technische zeichnungen zugreifen und so ganz leicht selbst ihr ersatzteil finden. Suche eine anbaukehrmaschine für mein honda aufsitzmäher.mit anbaukonsolen ,antriebsatz, und. Ich besitze eine neue riemenscheibe von tielbürger. Wählen sie das benötigte ersatzteil aus der ersatzteilliste ihres tielbürger gerätes aus und bestellen sie einfach online. Tielbürger kehrmaschine und schneeschild, leicht reparaturbedürftig, honda einachser mit frässatz. Aktuelle preise für produkte vergleichen!

Funktionstüchtiger vertikutierer tielbürger bucher tv 380.

Tielbürger bw500 79,00 € * 92,00 € * vergleichen merken. Jetzt modellnummer prüfen und ersatzteile kaufen! Sie ist ausgestattet mit einem bis 3,4 kw (4,6 ps. Diese wildkrautbürtse ist mit zehn stahlzöpfen ausgestattet. Maschinen von tielbürger sind technisch ausgereift, hoch funktional, sehr langlebig und zuverlässig. Dieses zubehör befindet sich nicht im lieferumfang, kann jedoch direkt mitbestellt werden. Aktuelle preise für produkte vergleichen! Viele tielbürger ersatzteile halten wir ständig in unserem lager für sie bereit. Wiesenmäher zubehör hier finden sie die ersatzteilzeichnung für tielbürger. Tv400 tv410 tv460h tv510 tv610. Bitte wählen sie eine der ersatzteillisten aus. Gutes werkzeug gleich halbe arbeit, erfreuen sich die tielbürger produkte in über 20 ländern großer beliebtheit. Wählen sie das benötigte ersatzteil aus der ersatzteilliste ihres tielbürger gerätes aus und bestellen sie einfach online.

Dieses zubehör befindet sich nicht im lieferumfang, kann jedoch direkt mitbestellt werden tiel. Ich besitze eine neue riemenscheibe von tielbürger.